



Reely Doppellagerbock 22 Bohrungs-Ø:
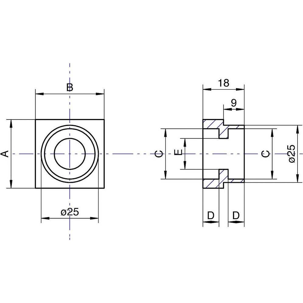
Dieser Lagerblock ist mit Ausdrehungen für 2 Kugellager versehen. Die Lager werden je links und rechts eingepresst, durch den... Mehr erfahren
Produktvarianten
Reely Doppellagerbock 22 Bohrungs-Ø:
Finde die besten Angebote
Bester Preis6 Punkte

Galaxus
Versand: 3,00 €
Lieferzeit: 1-3 Werktage
Versand: 3,00 € | Lieferzeit: 1-3 Werktage
Ähnliche Produkte
Produktdetails
Dieser Lagerblock ist mit Ausdrehungen für 2 Kugellager versehen. Die Lager werden je links und rechts eingepresst, durch den Steg im Mittelteil ergibt sich ein zusätzlicher Abstand.
Informationen
Lieferzeit:1-3 Werktage
Marke:Reely










