

RIGOL UPA-DS - PC Software ULTRA POWER für RIGOL-Oszilloskope
PC Software ULTRA POWER Application zur SchaltnetzteilvermessungRIGOL Ultra Power Analyzer ist eine Software für die digitale... Mehr erfahren
Finde die besten Angebote
Bester Preis415 Punkte

reichelt elektronik
Versand: 5,95 €
Lieferzeit: aktuell nicht lieferbar
Versand: 5,95 € | Lieferzeit: aktuell nicht lieferbar
Ähnliche Produkte
Produktdetails
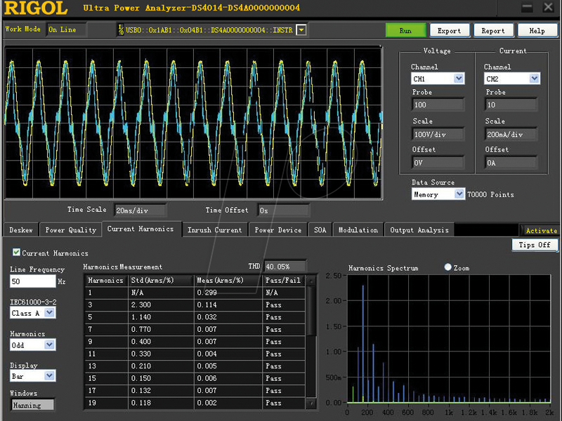
PC Software ULTRA POWER Application zur SchaltnetzteilvermessungRIGOL Ultra Power Analyzer ist eine Software für die digitalen Oszilloskope der Serien RIGOL DS6000, MSO/DS4000 und MSO/DS2000A zur Analyse von Schaltnetzteilen (SMPS) . Diese Software kann unter Windows XP, Windows 7, Windows 8 und Windows 10 verwendet werden.Produktvorteile:automatische Kalibrierung der KanalverzögerungAnalyse der NetzqualitätAnalyse von StromoberschwingungenEinschaltstrom-AnalyseAnalyse von LeistungsgerätenAnalyse des sicheren BetriebsbereichsModulationsanalyseLeistungsanalyseOffline- und Online-BetriebsartenDie Lieferzeit kann bis zu 14 Werktage in Anspruch nehmen.
Informationen
Lieferzeit:aktuell nicht lieferbar
Marke:RIGOL












